СС 104

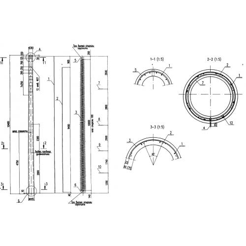
Чертеж изделия:
Характеристики изделия:
ПараметрЗначение
длина10400 мм
ширина445 мм
высота445 мм
вес1550 кг
серияТП 4180

СП 104 Стойки, имеющие смешанное армирование с напрягаемой проволочной арматурой, по проекту ТП 4180.