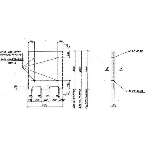
ПСТ 8

Чертеж изделия:
Характеристики изделия:
ПараметрЗначение
длина2980 мм
ширина3400 мм
высота250 мм
вес6100 кг
серияИС 01-05

ПСТ 8 Плиты стеновые по серии ИС 01-05.