ВБК-5.5

Чертеж изделия:
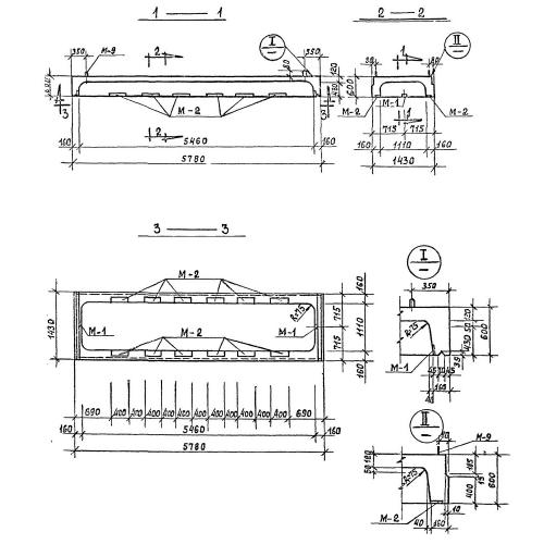
Характеристики изделия:
ПараметрЗначение
длина5780 мм
ширина1430 мм
высота600 мм
масса5700 кг
нормативный документСерия 3.903 КЛ-13

ВБК-5.5  Блоки камеры верхние по Серии 3.903 КЛ-13.