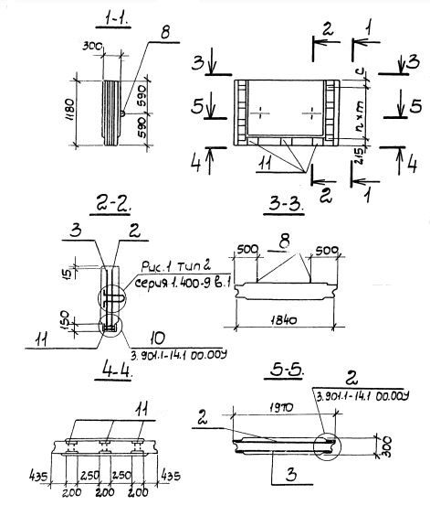
ПС 12.3-6ш
Характеристики изделия:
| Параметр | Значение |
|---|---|
| Длина | 1970 мм |
| Ширина | 300 мм |
| Высота | 1180 мм |
| Масса | 1680 кг |
| Нормативный документ | Серия 3.901.1-14 |
Цена:
Рассчитать стоимостьПС 12.3-6ш Панель стеновая доборная по Серии 3.901.1-14.
Маркировка
ПС - панель стеновая (доборная по высоте);
12 - длина стеновой панели в дм;
3 - толщина стеновой панели в дм;
6 - тип армирования;
ш - вариант со шпоночным стыком.