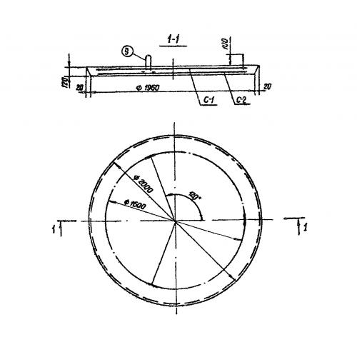
КЦД 15

Чертеж изделия:
Характеристики изделия:
ПараметрЗначение
длина2000 мм
ширина2000 мм
высота120 мм
вес925 кг
серия3.820-9

КЦД 15 Плиты днища колодцев по серии 3.820-9.