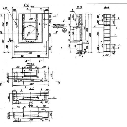
ДР-6

Чертеж изделия:
Характеристики изделия:
ПараметрЗначение
длина1800 мм
ширина350 мм
высота1900 мм
масса2130 кг
нормативный документСерия 3.820-6

ДР-6 Диафрагмы для регуляторов с закладной рамой по Серии 3.820-6.