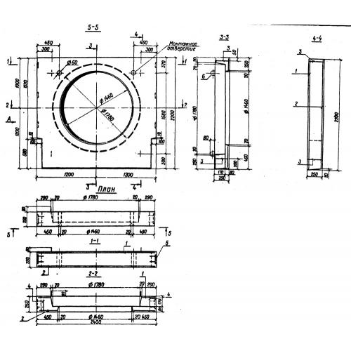
ДП-12

Чертеж изделия:
Характеристики изделия:
ПараметрЗначение
длина2400 мм
ширина250 мм
высота2200 мм
масса1800 кг
нормативный документСерия 3.820-6

ДП-12 Диафрагмы для переездов с портальными оголовками по Серии 3.820-6.