Ц-4
Характеристики изделия:
| Параметр | Значение |
|---|---|
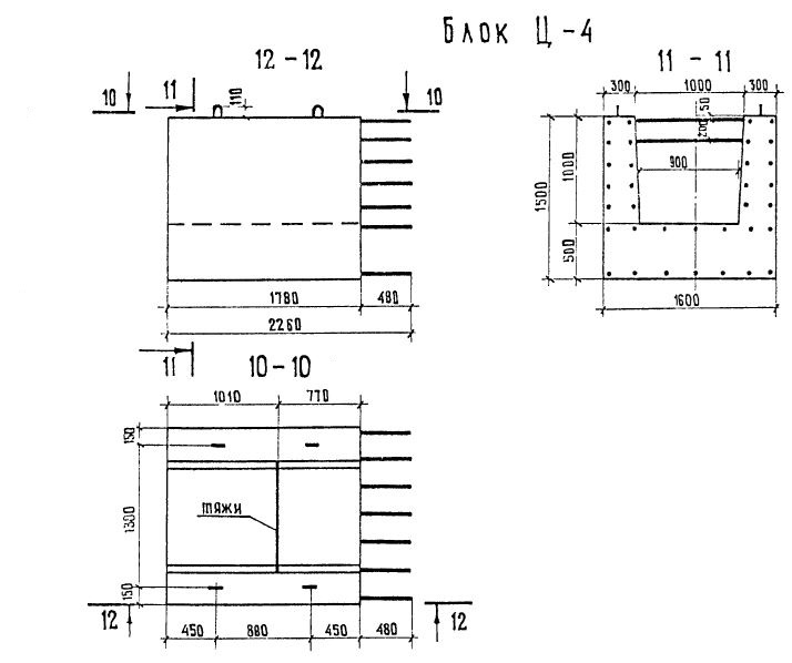
| длина | 2260 мм |
| ширина | 1600 мм |
| высота | 1500 мм |
| масса | 6500 кг |
| нормативный документ | Серия 3.503-23 |
Цена:
Рассчитать стоимостьЦ-4 Блоки цокольной части Серия 3.503-23.
| Параметр | Значение |
|---|---|
| длина | 2260 мм |
| ширина | 1600 мм |
| высота | 1500 мм |
| масса | 6500 кг |
| нормативный документ | Серия 3.503-23 |
Ц-4 Блоки цокольной части Серия 3.503-23.
