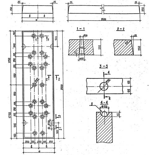
НСП 35.10 Плиты под оборудование ОРУ

Чертеж изделия:
Характеристики изделия:
ПараметрЗначение
длина3500 мм
ширина1000 мм
высота250 мм
масса2190 кг
нормативный документСерия 3.407.1-157

НСП 35.10  Несущие плиты с отверстиями по Серии 3.407.1-157.