П 2-2.1 Плита

Чертеж изделия:
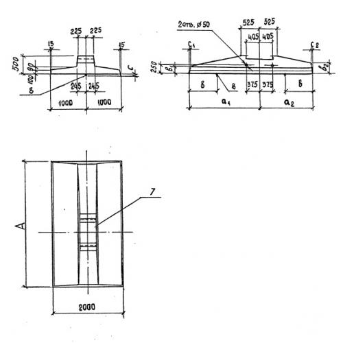
Характеристики изделия:
ПараметрЗначение
длина2100 мм
ширина2000 мм
высота500 мм
масса2100 кг
нормативный документСерия 3.407.1-144

П 2-2.1 Плиты фундаментов по Серии 3.407.1-144.