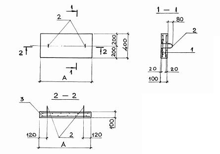
ПП 3 плита

Чертеж изделия:
Характеристики изделия:
ПараметрЗначение
длина850 мм
ширина400 мм
высота100 мм
масса90 кг
нормативный документСерия 3.006.1-8

ПП 3  Плоские подкладки под стыки сборных элементов канала Серия 3.006.1-8.