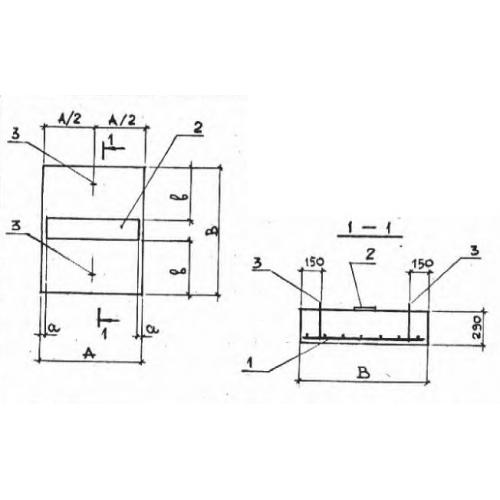
ОП 8 опорные подушки

Чертеж изделия:
Характеристики изделия:
ПараметрЗначение
длина850 мм
ширина1050 мм
высота290 мм
масса650 кг
нормативный документСерия 3.006.1-2/87

ОП 8  Опорные подушки Серия 3.006.1-2/87.