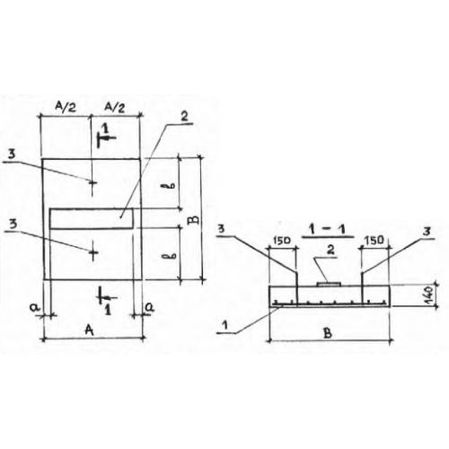
ОП 7

Чертеж изделия:
Характеристики изделия:
ПараметрЗначение
длина750 мм
ширина850 мм
высота140 мм
вес230 кг
серия3.006-2

ОП 7 Опорные подушки по серии 3.006-2.