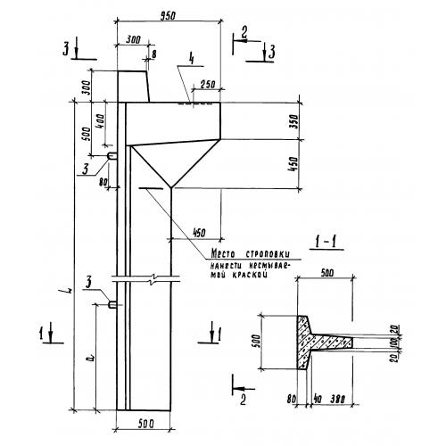
СВТ 40.5

Чертеж изделия:
Характеристики изделия:
ПараметрЗначение
длина4000 мм
ширина950 мм
высота500 мм
вес1480 кг
серия1.820.9-1

СВТ 40.5 Сваи таврового сечения по серии 1.820.9-1.