К колонны

Чертеж изделия:
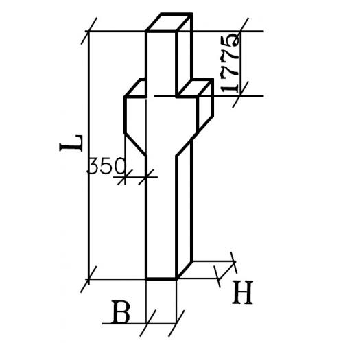
Характеристики изделия:
ПараметрЗначение
длина9575 мм
ширина600 мм
высота400 мм
масса6025 кг
нормативный документСерия 1.420-12

К  Колонны Серия 1.420-12.