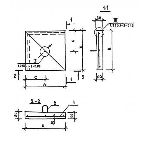
ППУ 5.5 плиты парапетные угловые

Чертеж изделия:
Характеристики изделия:
ПараметрЗначение
длина520 мм
ширина520 мм
высота80 мм
масса50 кг
нормативный документСерия 1.238.1-2

ППУ 5.5 Плиты парапетные угловые Серия 1.238.1-2.