1ПССП 9.10.2,6-п

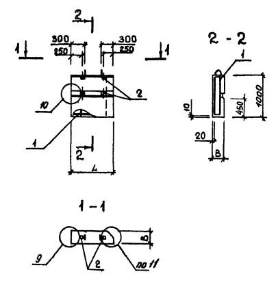
Чертеж изделия:
Характеристики изделия:
ПараметрЗначение
Длина905 мм
Ширина260 мм
Высота1000 мм
Масса280 кг
Нормативный документСерия 1.232.1-8

Стандарт изготовления изделия: Серия 1.232.1-8

Панель однослойная самонесущая 1ПССП 9.10.2,6-п (1.232.1-8) представляет собой прочную прямоугольную конструкцию, выполненную из легкобетонной смеси и стального внутреннего каркаса. Наружная поверхность строительного элемента обладает эстетичным декоративным слоем. Вертикальные грани наружного слоя запроектированы из условия устройства стыков, заделываемых герметиками. На нижней горизонтальной грани предусмотрена декомпрессионная полость.  Можно создавать парапет при постройке крупнопанельных зданий промышленных предприятий с высотой этажа 3,3 метра.

Маркировка

1. 1 - различие в размерах или расположении проема;

2. ПССП - панель стеновая самонесущая парапетная для внутреннего угла;

3. 9 - длина в дециметрах;

4. 10 - высота в дециметрах;

5. 2,6 - толщина в дециметрах;

6. п - используется бетонная смесь на пористых заполнителях.