1ПР 15

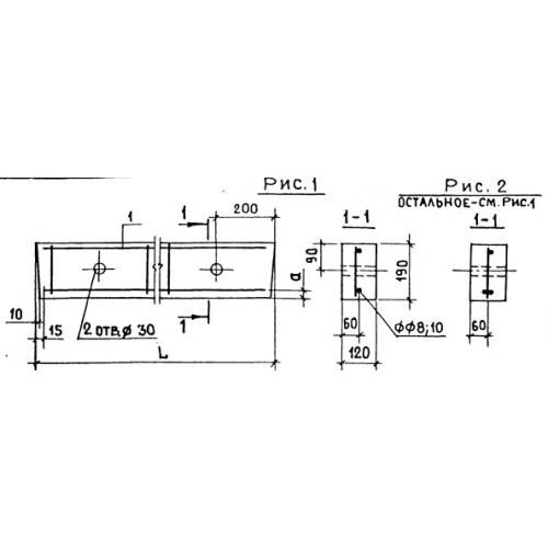
Чертеж изделия:
Характеристики изделия:
ПараметрЗначение
длина1550 мм
ширина120 мм
высота190 мм
вес90 кг
серия1.138-10

1ПР 15 Перемычки брусковые по серии 1.138-10.