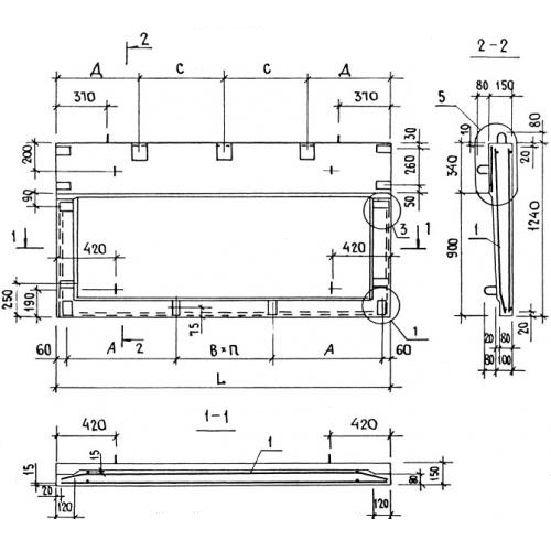
ПБК 36.12 плиты балконные

Чертеж изделия:
Характеристики изделия:
ПараметрЗначение
длина3590 мм
ширина1240 мм
высота150 мм
масса1300 кг
нормативный документСерия 1.137.1-9

ПБК 36.12  Плиты балконные консольные Серия 1.137.1-9.