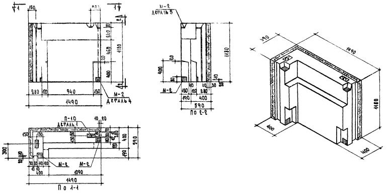
НБПУ-15.12.4
Характеристики изделия:
| Параметр | Значение |
|---|---|
| Длина | 1490 мм |
| Ширина | 590 мм |
| Высота | 1180 мм |
| Масса | 1405 кг |
| Нормативный документ | Серия 1.133-1 |
Цена:
Рассчитать стоимостьСтеновые легкобетонные блоки толщиной 40 см по Серии 1.133-1.
НБПУ-15.12.4 Парапетный блок угловой.