3ПСВ 43-19-16-1т-2л

Чертеж изделия:
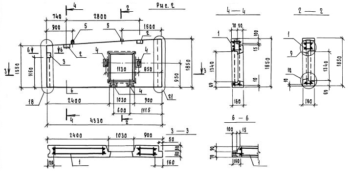
Характеристики изделия:
ПараметрЗначение
длина4330 мм
ширина160 мм
высота1850 мм
масса2465 кг
нормативный документСерия 1.131.1-25

Серия 1.131.1-25

Маркировка:

1. 3 – группа панелей;

2. ПСВ – (буквенное обозначение панели) Панель стеновая внутренняя;

3. 43  длина (в дм);

4. 19  высота (в дм);

5. 16  толщина (в см);

6.  несущая способность;

7. т  бетон тяжелый;

8.  тип проема.

л – левое исполнение.