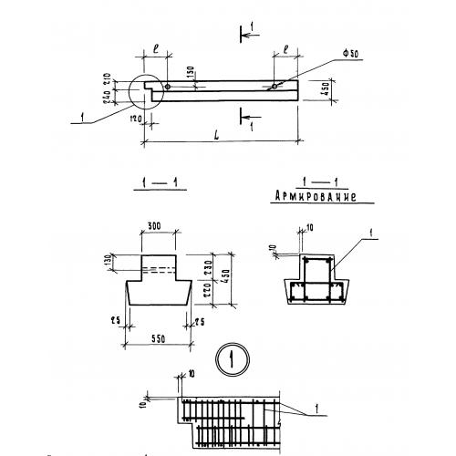
2БР 52.5.4

Чертеж изделия:
Характеристики изделия:
ПараметрЗначение
длина5220 мм
ширина550 мм
высота450 мм
вес2380 кг
серия1.111.1-5

2БР 52.5.4 Балки ростверков по серии 1.111.1-5.