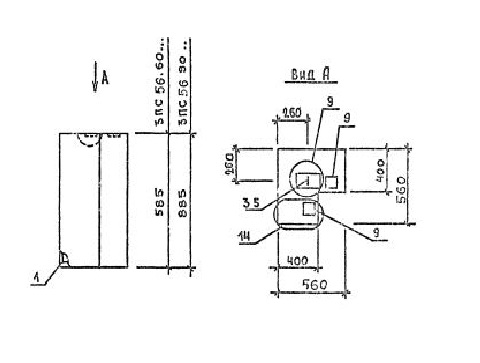
ПС 56.90.40 панели стеновые

Чертеж изделия:
Характеристики изделия:
ПараметрЗначение
длина560 мм
ширина400 мм
высота885 мм
масса380 кг
нормативный документСерия 1.030.1-1/88

ПС 56.90.40  Панели стеновые Серия 1.030.1-1/88.