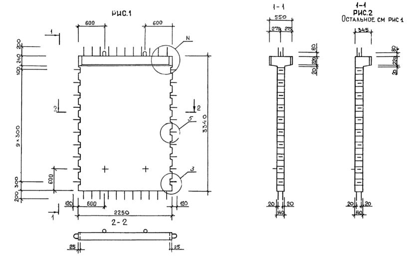
2Д 23.33

Чертеж изделия:
Характеристики изделия:
ПараметрЗначение
длина2490 мм
ширина550 мм
высота3740 мм
масса3230 кг
нормативный документСерия 1.020.1-3пв

2Д 23.33  Диафрагмы жесткости с двумя полками Серия 1.020.1-3пв.