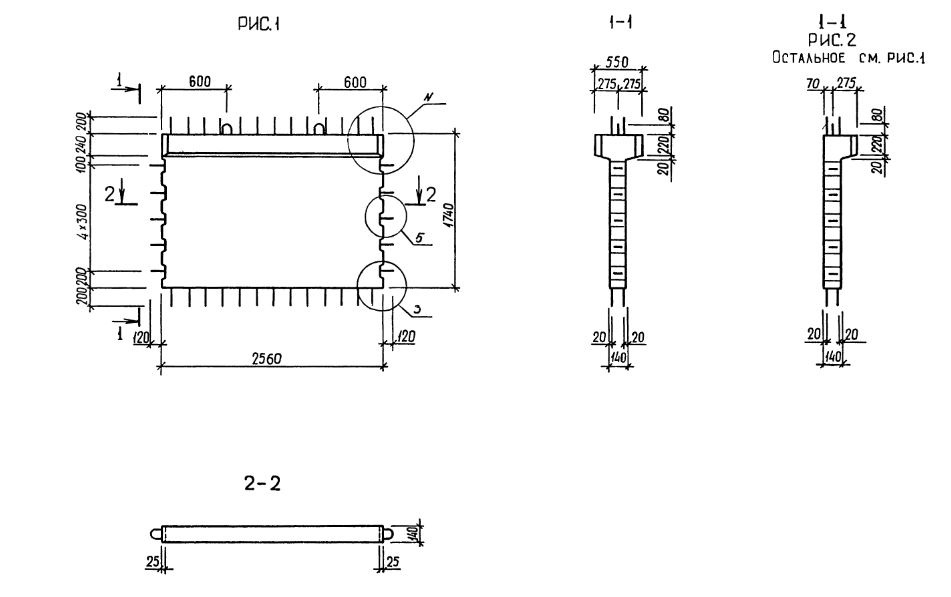
1Д 26.17

Чертеж изделия:
Характеристики изделия:
ПараметрЗначение
длина2800 мм
ширина345 мм
высота2140 мм
масса1890 кг
нормативный документСерия 1.020.1-3пв

1Д 26.17  Диафрагмы жесткости с одной полкой Серия 1.020.1-3пв.