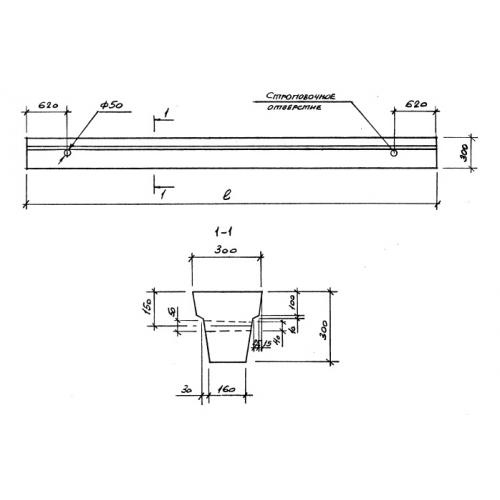
2БФ 24 балки фундаментные

Чертеж изделия:
Характеристики изделия:
ПараметрЗначение
длина2350 мм
ширина300 мм
высота300 мм
масса250 кг
нормативный документСерия 1.015.1-1.95

2БФ 24  Балки фундаментные Серия 1.015.1-1.95.