ППФ 15-51
Характеристики изделия:
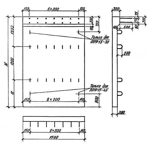
| Параметр | Значение |
|---|---|
| длина | 1500 мм |
| ширина | 300 мм |
| высота | 5100 мм |
| вес | 3950 кг |
| серия | 1.012.1-3.97 |
Цена:
Рассчитать стоимостьППФ 15-51 Плиты фундаментные плоские по серии 1.012.1-3.97.
| Параметр | Значение |
|---|---|
| длина | 1500 мм |
| ширина | 300 мм |
| высота | 5100 мм |
| вес | 3950 кг |
| серия | 1.012.1-3.97 |
ППФ 15-51 Плиты фундаментные плоские по серии 1.012.1-3.97.
