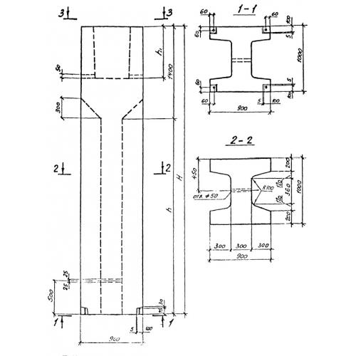
ВБ 9.10.21
Характеристики изделия:
| Параметр | Значение |
|---|---|
| длина | 900 мм |
| ширина | 1000 мм |
| высота | 2090 мм |
| вес | 3990 кг |
| серия | 0-221-84 |
Цена:
Рассчитать стоимостьВБ 9.10.21 Блок-стакан верхний по серии 0-221-84.
| Параметр | Значение |
|---|---|
| длина | 900 мм |
| ширина | 1000 мм |
| высота | 2090 мм |
| вес | 3990 кг |
| серия | 0-221-84 |
ВБ 9.10.21 Блок-стакан верхний по серии 0-221-84.
